Y型法蘭過濾器
產品名稱:Y型法蘭過濾器
產品詳情

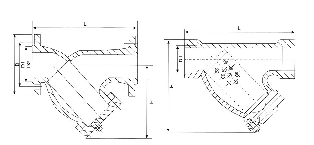
主要外形尺寸和連接尺寸The main dimensions and connection dimensions
型號 TYPE | 公稱通徑 DN(mm) | 英寸 | L | H | H1 | 拉桿伸縮過濾器 | 重量kg | |
L | H | |||||||
GL41W/H-16 | 15 | 1/2 | 125 | 70 | 150 | 2 | ||
20 | 3/4 | 145 | 70 | 150 | 3 | |||
25 | 1 | 160 | 80 | 160 | 3.8 | |||
32 | 1? | 180 | 90 | 180 | 6 | |||
40 | 1? | 200 | 100 | 240 | 7.2 | |||
50 | 2 | 220 | 130 | 250 | 300 | 130 | 10 | |
65 | 2? | 260 | 165 | 350 | 350 | 165 | 17 | |
80 | 3 | 280 | 195 | 390 | 400 | 195 | 20 | |
100 | 4 | 320 | 230 | 450 | 450 | 230 | 32 | |
125 | 5 | 350 | 300 | 520 | 500 | 300 | 53 | |
150 | 6 | 380 | 335 | 580 | 550 | 335 | 66 | |
200 | 8 | 495 | 420 | 690 | 650 | 420 | 110 | |
250 | 10 | 595 | 500 | 800 | 775 | 500 | 165 | |
300 | 12 | 640 | 580 | 950 | 900 | 580 | 225 | |
350 | 14 | 700 | 640 | 1150 | 312 | |||
400 | 16 | 800 | 700 | 1360 | 500 | |||
450 | 18 | 850 | 790 | 1480 | 700 | |||
500 | 20 | 900 | 875 | 1650 | 900 | |||
產品概述Product overview
過濾器是輸送介質的管道系統不可缺少的一種裝置,其作用是清除介質中的機械雜質,以保護設備管首上的配件免受磨損和堵塞。內部件全部采用不銹鋼,堅固耐用。該過濾器體積小,濾眼細、阻力小,效率高、安裝檢修方便、成本低,并排污時間短,
對一般小型號者,只需5-10分鐘。
主要技術參數
The main technical parameters
1、工作介質應為流動液體
2、工作溫度:-10~225℃
3、過濾網規格為10目/寸、20目/寸、30目/寸、目/寸、60 目/寸
4、過濾網局部阻力系數2.2,在介質額定流速下阻力為0 .1-0.2水柱。